SnowTrac

Traxxas Stampede - SnowTrac - Bauanleitung

Stueckliste
Stueckliste.xlsx

Auflistung, was alles benötigt wird
Zusammenstellung
Zusammenstellung.pdf

Zusammenstellungs Zeichnung
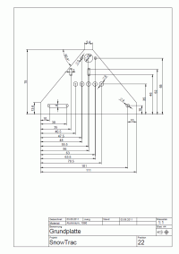
Grundplatte
Grundplatte.pdf

Grundplatte
Laufrad
Laufrad.pdf

Laufrad
LaufradDistanz
LaufradDistanz.pdf

LaufradDistanz
DiffOutputYoke
DiffOutputYoke.pdf

DiffOutputYoke
Antriebsrad
Antriebsrad.pdf

Antriebsrad
AntriebsradWelle
AntriebsradWelle.pdf

AntriebsradWelle
AntriebsradLagerbock
AntriebsradLagerbock.pdf

AntriebsradLagerbock
AntriebsradDistanz
AntriebsradDistanz.pdf

AntriebsradDistanz